Rixson PHHM5102

copy to clipboard

Rixson PHHM5102 3/4" Offset Physically Handicapped Shallow Depth Floor Closer

enlarge
enlarge
× This image is for a similar product but it will differ in size, color and/or other attributes.
Rixson PHHM5102 3/4" Offset Physically Handicapped Shallow Depth Floor Closer
More from Rixson
Price: $2,171.28 USD
Ships From
Comments (Optional)
For quantities beyond the "In Stock" above, the item(s) ships within 14 business days.

1-773-809-3667

Sales
Technical Support
Product Description:
Shallow Depth Floor Closers

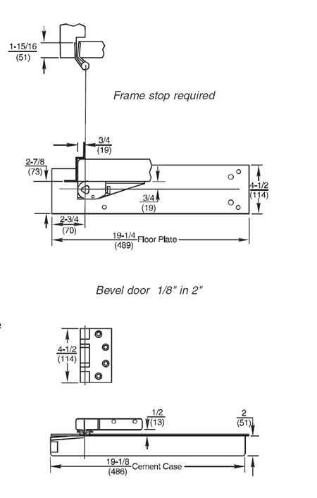
Model PHHM5102 Physically Handicapped Shallow Depth Floor Closer

Application
◊ Single Acting
◊ Interior Doors
◊ Weight to 250 lbs.
◊ Door Width up to 42"

Introduction

Rixson’s shallow depth floor closers are recommended for low to medium traffic interior doors where traditional floor closer depth is too great for slab construction. Not recommended for high-frequency or exterior doors.

Features

• Shallow depth case [2"(51mm)] allows installation in thin slab floor construction
• Separate and independent latch and closing speed valves
• Spindles are removable and can be changed to alter hanging application
• Can be adjusted in cement case upto 3/16"(5mm) forward, backward and sideways with positive locking

Performance

Hold Open (HO)
Hold open at 90, 105 or 180° (requires door to swing approximately 5° beyond hold open point). Closers with hold open cannot be ordered with delayed action
Delayed Action (DA)
Delayed action holds door open at 70° for up to 70 seconds. Closers with this feature will not have backcheck. Delayed action cannot be ordered with hold open closers.
Sealed Closer (SC)
Sealed closer protects it from moisture. Cement cse and closer body are sealed and epoxied together. Closer must be ordered with cement case and shipped together.
Extended Spindle (Ext Spdl)
To accommodate special floor conditions, the spindle can be ordered with longer spindle in 1/2" increments up to and including 2" longer.

Security Screws (Torx)
Security screws.

Product Description & Features

Recommended for applications where vertical movement of the door at installation is not possible, such as a door inset in a deep reveal or with no ceiling clearance
• Spring size 2 for 42" door width
• Meet ANSI A117.1 requirements for physically handicapped access
• Includes three ball-bearing bronze (4-1/2" x 4-1/2") 3/4" offset hinges
• Supplied with all machine screws and half wood screws
• For use on any door and frame prepared for standard weight 4-1/2"(114mm) hinges
• Surface mounted bottom arm allows for installation on stock hollow metal doors – no special prep required
• Designed for use on stock hollow metal doors and frames
• 1-3/4" doors only
• Cycolac cement case
• Will swing to 180°, trim permitting
• Available for floor plate or threshold installation (floor plate shown)
• Backcheck standard (Not available on delayed-action model)
• Delayed-action option available (Not available on backcheck model)
• Doors will swing 5° beyond hold open point
• 3/4" offset only (measured from centerline of pivot to face of door)

Technical Information


Questions and Answers
There are currently no questions or answers.
(Required, used to email you once question is answered.)
Customers who bought this item also bought:
Dorbin 16AB 16 BN Concealed Interlocking Weatherstrip, 3/8" Flange, 16" Length, Bronze, with Copper Nails
Dorbin 16AB 16 BN
Concealed interlocking weatherstrip equipment for wood applications, bronze, 3/8" flange, 16" length, mounting nails are included
Dorbin
Price: $38.89
Rixson 128-3/4 Pivot Set
Rixson 128-3/4
Rixson's 128-3/4 Center Hung Pivot Set for Doors up to 250 lbs.
Rixson
Price: $281.98
Rixson 117 3/4" Offset Pivot Set
Rixson 117
Rixson's 117 3/4" Offset Hung Standard Pivot Set for Doors up to 300 lbs.
Rixson
Price: $524.03
Rixson 147 3/4" Offset Pivot Set
Rixson 147
Rixson's 147 3/4" Offset Standard Pivot Set for Doors up to 600 lbs.
Rixson
Price: $559.66
Rixson 176 626 Light Duty Center Hung Pivot Set Satin Chrome
Rixson 176 626
Rixson's 176 Center Hung Pivot Set for Doors up to 150 lbs.
Rixson
Price: $343.00
  • Watch Expert Advice on YouTube
  • Corporate Members of DHI
  • Member of NFPA.
  • Follow us on Facebook
  • AAADM Certified!
  • ALOA Certified!
  • Follow us on Twitter
  • DHI FDAI EDA Inspector
  • AIA
  • Follow us on Pinterest
  • ARL
  • Intertek Logo