Cart Preview
Your cart is currently empty.
844-809-3667
CALL - TEXT - FAX
sales@absupply.net
Sign In
Toggle navigation
Products
Manufacturers
Company Profile
About Us
Blog
Contact Us
Photo Gallery
Testimonials
Video Gallery
Support
FAQ
Local Services
My Account
Privacy Policy
Returns
Shipping
Tax Exempt?
Tracking
Industry Information
Catalogs by decades
Glossary of Hardware Terminology
Industry Links
National Organizations
Our Manufacturers
Wood Database
Home
>
Hinges & Pivots
>
Continuous Geared
>
Roton
>
Half Surface
>
Heavy Duty
>
Fire Rated
>
Without Studs
>
95"
>
Roton 780-045HD-CL-095-UL-FF
Roton 780-045HD-CL-095-UL-FF
Roton 780-045HD-CL-095-UL-FF 95" Continuous Hinge-Half Surface-Heavy Duty-Fire Rated-Clear Finish
×
This image is for a similar product but it will differ in size, color and/or other attributes.
×
This product review video is for a similar product but it will differ in size, color and/or other attributes.
Price:
$
668.55 USD
In Stock Ready for Shipment
Comments
(Optional)
ADD TO CART
This item is not in stock and typically ships in 10-15 business days.
Check Inventory
Request Quote
No Minimum
There is no minimum quantity required for this product for quantities up to the level listed below.
Minimum Order Levels Apply
This item has minimum order levels that need to be met.
Check Inventory Levels
Enter your email address and we will check with all available sources and get back to you with exact inventory levels and estimated shipping times.
Qty. Needed:
Request Quote
Enter the qty needed and we will generate a quote and save your order in our system.
You will not be charged and we will not fulfill the order.
Qty. Needed:
+ Add to My Wish List
1-844-809-3667
Sales
sales@absupply.net
Technical Support
tech@absupply.net
Product Description:
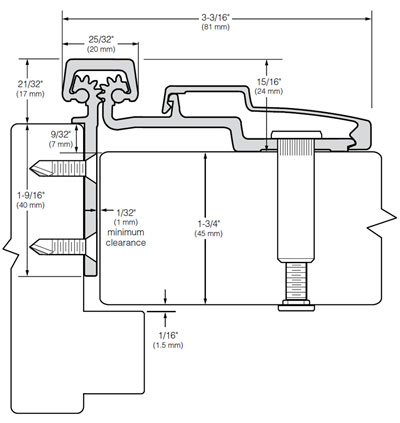
95" Heavy Duty Half Surface Hinge - Clear Aluminum Finish
For high frequency doors or heavy medium frequency doors.
Fire rated (See below for details)
Studs not included
Clearance: 5/16" (8mm) hinge side plus standard lockside clearance
Inset: 9/32 " (3 mm)
Security molding
Frame leaf alignment rib for proper hinge location
Door Reinforcement: None required
Frame Reinforcement: None required to 200 lbs. Heavier weight use 16 gauge channel
Dril-Kwik® screws and Sex bolts
Field Modifications: While Roton Continuous Geared Hinges can be field cut, any product modifications may void all warranties. Should in-the-field modifications be required, cut only from bottom of hinge. Do not cut through bearings or screw holes.
Template
Fire Rating Details
Installation Instructions
Dimensions
(Click to Enlarge)
Options (Call for Pricing and Lead Time)
Custom Lengths
Extra Long Hinges
Special Anodizing and Painting:
Because of special non-removable metal coatings applied to all hinges during assembly, users are cautioned against attempting to refinish any Roton product.
Special Cover Channels
Dutch Door Hinges
Bearing at Top
Bearing on Bottom
Hospital Tip
Tamper Resistant Hinge
Special Holes
Electrical Hinge Modifications
Questions and Answers
There are currently no questions or answers.
(Required, used to email you once question is answered.)