Cart Preview
Your cart is currently empty.
844-809-3667
CALL - TEXT - FAX
sales@absupply.net
Sign In
Toggle navigation
Products
Manufacturers
Company Profile
About Us
Blog
Contact Us
Photo Gallery
Testimonials
Video Gallery
Support
FAQ
Local Services
My Account
Privacy Policy
Returns
Shipping
Tax Exempt?
Tracking
Industry Information
Catalogs by decades
Glossary of Hardware Terminology
Industry Links
National Organizations
Our Manufacturers
Wood Database
Home
>
Electrified Hardware
>
Electric Strikes
>
Rofu
>
Electric Strikes
>
Rofu 1402 ES
Rofu 1402 ES
Rofu electric strike model 1402
×
This image is for a similar product but it will differ in size, color and/or other attributes.
×
This product review video is for a similar product but it will differ in size, color and/or other attributes.
Price:
$
174.80 USD
In Stock Ready for Shipment
1. Select finish
Aluminum-US28
2. Select voltage
24VAC/24VDC
Comments
(Optional)
ADD TO CART
This item is not in stock and typically ships in 1 business day.
Check Inventory
Request Quote
No Minimum
There is no minimum quantity required for this product for quantities up to the level listed below.
Minimum Order Levels Apply
This item has minimum order levels that need to be met.
Check Inventory Levels
Enter your email address and we will check with all available sources and get back to you with exact inventory levels and estimated shipping times.
Qty. Needed:
Request Quote
Enter the qty needed and we will generate a quote and save your order in our system.
You will not be charged and we will not fulfill the order.
Qty. Needed:
+ Add to My Wish List
1-844-809-3667
Sales
sales@absupply.net
Technical Support
tech@absupply.net
Product Description:
Availability:
IN STOCK. *Next day shipping.
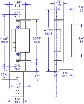
Rofu® Electric Strike Model 1402
Electric strikes for use with mortise and cylindrical locksets. For Commercial and Residential, New and Retrofit Uses.
Anodized Aluminum Faceplate
Frame Type - Hollow Metal or Aluminum
Corrosion - Resistant case and moving parts.
Tamper Strength Test - 1400 lbs. (635kg)
Cycle Test 500,000 cycles
Keeper Depth - 5/8”, Maximum Latch Projection possible with 1/8” Door/Frame Clearance - 3/4”
Strike Depth - 1.50" Overall
Reversible - Non Handed
Limited Warranty - 36 Monthss
Available in the following Voltages and Finishes:
Specify Finish
xUS28, xUS10B or xUS4
Voltage, Fail Secure
x01=8-16VAC/3-6VDC
x05=12VAC/12VDC
x08=24VAC/24VDC
Voltage, Fail Safe
x06=12VDC
x09=24VDC
Optional Features
Adjustable Keeper
available for 3400 series. Specify FAFIX
Radius Faceplate
For double aluminum doors
2" Lip Extension
specify #10002.
1402 Series - Line Art
1402 - Series Installation Hollow Metal Jamb
Download pdf file
1402 - Series Installation Aluminum Jamb
1402 - Series Installation Radiused Aluminum Jamb
Download pdf file
Download pdf file
Questions and Answers
There are currently no questions or answers.
(Required, used to email you once question is answered.)