Cart Preview
Your cart is currently empty.
773-809-3667
CALL - TEXT - FAX
sales@absupply.net
Sign In
Toggle navigation
Products
Manufacturers
Company Profile
About Us
Blog
Contact Us
Photo Gallery
Testimonials
Video Gallery
Support
FAQ
Local Services
My Account
Privacy Policy
Returns
Shipping
Tax Exempt?
Tracking
Industry Information
Catalogs by decades
Glossary of Hardware Terminology
Industry Links
National Organizations
Our Manufacturers
Wood Database
Schlage Photo Gallery
Schlage B160 x 625 deadbolt that dates to the 1980's - early 1990's. These photos show the 625 polished chrome finish. Where available with a universal 2-3/8" & 2-3/4" latchbolt and then fixed sizes at 2-3/8", 2-3/4" and 5". Fit in a 1-1/2" or 2-1/8" diameter hole and was the Grade 2 version compared to the Schlage B400 series which was the Grade 1 version at the time. Both were great locks and feature the "quarter-turn" action on the thumb-turn as it has been called.
(Click to Enlarge)
(Click to Enlarge)
(Click to Enlarge)
Customer Supplied Photos of Key Blank
35-101 x 1358 x XQ06-878 x Box of 50 x Factory Stamped Do Not Duplicate - Schlage
(Click to Enlarge)
(Click to Enlarge)
(Click to Enlarge)
Schlage FA10 Bloomington lever
(discontinued approximately 2010)
(Click to Enlarge)
Schlage E51 Madrid circa 1976 (refinished 2020)
(Click to Enlarge)
Schlage E - series original cylinder on left and modern replacement on right
(Click to Enlarge)
Schlage ‘EB’ Series from 1979 Madrid Style
(Click to Enlarge)
Schlage Mediterranean MD170 ASTI 605 LH
(Click to Enlarge)
Schlage G Lock
(Click to Enlarge)
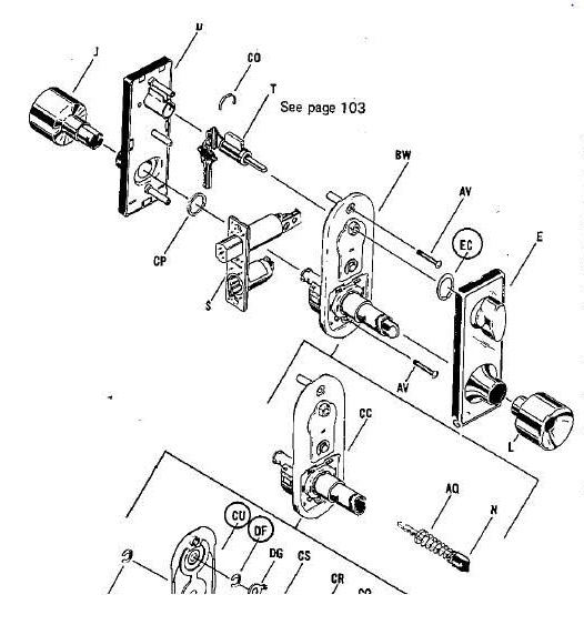
Schlage G Lock Service Manual
(Click to Enlarge)
(Click to Enlarge)
* * *
(Click to Enlarge)
(Click to Enlarge)
(Click to Enlarge)
(Click to Enlarge)
(Click to Enlarge)
* * *
(Click to Enlarge)
(Click to Enlarge)
(Click to Enlarge)
(Click to Enlarge)
(Click to Enlarge)
(Click to Enlarge)
(Click to Enlarge)
(Click to Enlarge)
(Click to Enlarge)
(Click to Enlarge)
(Click to Enlarge)
(Click to Enlarge)
(Click to Enlarge)
(Click to Enlarge)
(Click to Enlarge)
(Click to Enlarge)
(Click to Enlarge)
(Click to Enlarge)
(Click to Enlarge)
(Click to Enlarge)
(Click to Enlarge)
(Click to Enlarge)
(Click to Enlarge)
(Click to Enlarge)