Cart Preview
Your cart is currently empty.
844-809-3667
CALL - TEXT - FAX
sales@absupply.net
Sign In
Toggle navigation
Products
Manufacturers
Company Profile
About Us
Blog
Contact Us
Photo Gallery
Testimonials
Video Gallery
Support
FAQ
Local Services
My Account
Privacy Policy
Returns
Shipping
Tax Exempt?
Tracking
Industry Information
Catalogs by decades
Glossary of Hardware Terminology
Industry Links
National Organizations
Our Manufacturers
Wood Database
Home
>
Sliding Door Hardware
>
Pocket Doors
>
Packaged Sets/Kits
>
Hafele
>
176lb. Doors
>
Hafele 940.94.003
Hafele 940.94.003
Hafele 940.94.003 Pocket Door Framing Kit, Futura, Type III, for Junior 40Z and 80Z
×
This image is for a similar product but it will differ in size, color and/or other attributes.
Price:
$
733.69 USD
In Stock Ready for Shipment
Comments
(Optional)
ADD TO CART
In Stock (Minimums Apply
):
Charlotte, NC Warehouse Qty: 12
For quantities beyond the "In Stock" above, the item(s)
ships in 15 business days.
Check Inventory
Request Quote
No Minimum
There is no minimum quantity required for this product for quantities up to the level listed below.
Minimum Order Levels Apply
You must order a total of $0.00 worth of product from Hafele to place an order.
Check Inventory Levels
Enter your email address and we will check with all available sources and get back to you with exact inventory levels and estimated shipping times.
Qty. Needed:
Request Quote
Enter the qty needed and we will generate a quote and save your order in our system.
You will not be charged and we will not fulfill the order.
Qty. Needed:
+ Add to My Wish List
1-844-809-3667
Sales
sales@absupply.net
Technical Support
tech@absupply.net
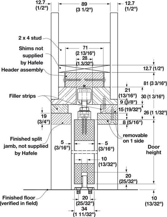
Product Description:
Hafele 940.94.003 Pocket Door Framing Kit, Futura, Type III, for Junior 40Z and 80Z
Pocket Door Framing Kit, Futura
Type: III
Application: For Junior 40Z and 80Z
Suitable for: Jr. 80
Designed to fit into standard 2x4 wood or steel constructed interior walls
Provides an efficient way to save space in tight room designs
Specially engineered, cold-formed, zinc-plated steel studs prevent bowing of the pocket walls
Front steel studs have a special pocket to receive 1/2" thick sheetrock
Simple and straightforward installation
Wood header is produced out of plywood in order to prevent warping
Exposed part of wood header is laminated to match the color of the sliding track
Suitable for sliding doors installed into dining rooms, kitchens, bathrooms, closets or master bedrooms
Load bearing capacity Max: (176 lbs) 80 kg
For door width: (24 - 36") 610 - 914 mm
For door height Max: (80") 2032 mm
For door thickness: up to 44 mm (1-3/4")
Supplied with:
1 x Header assembly
2 x Front vertical stud
2 x Back vertical stud
4 x Floor plates (2 x front and 2 x back)
2 x Filler strip
1 x joing plate
Mounting screws
Mounting Instructions
Packing & Sold as:
Set.
Note:
Unit of measure is set. When you buy a quantity of 1 you will get one set. Price is for one set.
Catalog Page
Questions and Answers
There are currently no questions or answers.
(Required, used to email you once question is answered.)
Customers who bought this item also bought:
Hafele 245.54.701
Hafele 245.54.701 Nickel Plated Screw-Mounted Mini-Latch - 1 Pc.
Mini Latch.
Price: $5.79
More Info
Hafele 429.99.324
Hafele 429.99.324 Black Round Cable Grommet Set 60mm
Cable Grommet Set.
Price: $3.93
More Info
Hafele 637.76.353
Hafele 637.76.353 Adjustment Feet, for Hafele Axilo 78 Plinth System, 100 mm Installation Height, 90 mm - 120 mm Range, Plastic, Black
Adjustment Feet, for Hafele Axilo 78 Plinth System, 100 mm (4") Installation Height, 90 mm - 120 mm (3-1/2" - 4-3/4") Range, Plastic, Black
Price: $1.43
More Info
Hafele 251.79.600
Hafele 251.79.600 Nickel Plated Door Stop Bracket w/ Bumper - 1 Pkg.
Door Bracket.
Price: $21.26
More Info
Hafele 245.54.710
Hafele 245.54.710 Nickel Plated Mini-Latch w/ Screws - 1 Set
Mini-Latch.
Price: $2.77
More Info