Cart Preview
Your cart is currently empty.
844-809-3667
CALL - TEXT - FAX
sales@absupply.net
Sign In
Toggle navigation
Products
Manufacturers
Company Profile
About Us
Blog
Contact Us
Photo Gallery
Testimonials
Video Gallery
Support
FAQ
Local Services
My Account
Privacy Policy
Returns
Shipping
Tax Exempt?
Tracking
Industry Information
Catalogs by decades
Glossary of Hardware Terminology
Industry Links
National Organizations
Our Manufacturers
Wood Database
Home
>
Trim & Auxiliary
>
Cabinet Hardware
>
Hafele
>
Accessories
>
Flap Stay
>
Star Stop
>
Hafele 365.55.655
Hafele 365.55.655
Hafele 365.55.655 Flap Stay, Star Stop with Brake, without Magnet, min. 18" Inside cabinet height, Left Hand
×
This image is for a similar product but it will differ in size, color and/or other attributes.
Price:
$
17.48 USD
In Stock Ready for Shipment
Comments
(Optional)
ADD TO CART
This item is not in stock and typically ships in 10-15 business days.
Check Inventory
Request Quote
No Minimum
There is no minimum quantity required for this product for quantities up to the level listed below.
Minimum Order Levels Apply
This item has minimum order levels that need to be met.
Check Inventory Levels
Enter your email address and we will check with all available sources and get back to you with exact inventory levels and estimated shipping times.
Qty. Needed:
Request Quote
Enter the qty needed and we will generate a quote and save your order in our system.
You will not be charged and we will not fulfill the order.
Qty. Needed:
+ Add to My Wish List
1-844-809-3667
Sales
sales@absupply.net
Technical Support
tech@absupply.net
Product Description:
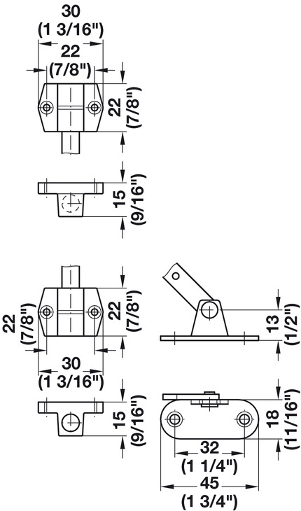
Hafele 365.55.655 Flap Stay, Star Stop with Brake, without Magnet, min. 18" Inside cabinet height, Left Hand
Flap Stay
Star Stop with Brake
Without Magnet
Version: with adjustable braking effect
Features:
with angular bracket
with perforated flat arm for clamp
Mounting: Left
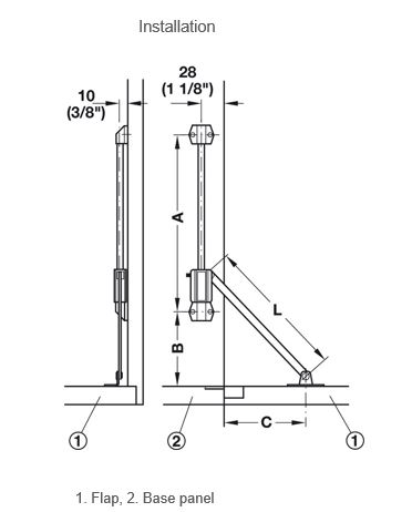
Installation: for screw mounting
Note: The guide arm must be kept clean of oil, grease and cleaning agents.
For inside cabinet height: min. (18") 460 mm
A: (10-1/4") 309 mm
B: (4-3/4") 120 mm
C: Determine by trial mounting
L: (9-1/2") 241 mm
Material:
Flat arm and mounting bracket: Steel
Housing: Zinc Alloy
Finish: Nickel-Plated
Packing & Sold as:
Each.
Note:
Unit of measure is EA. When you buy a quantity of 1 you will get one piece. Price is for one piece.
Optional accessories:
Concealed Hinge, All Metal, 3 Way Adjustable and Detachable:
342.78.700
Hospa Chipboard screws with countersunk head Ø 3.5 mm:
015.31.522
,
015.31.540
,
015.31.648
,
015.31.675
Clamp, for Star Stop:
365.67.360
Lid Stay, Fall-Ex:
372.17.253
,
372.17.262
,
372.17.271
Product Page
Adjusting the braking effect
Flap Weight Calculation
Questions and Answers
There are currently no questions or answers.
(Required, used to email you once question is answered.)
Customers who bought this item also bought:
Hafele 245.54.701
Hafele 245.54.701 Nickel Plated Screw-Mounted Mini-Latch - 1 Pc.
Mini Latch.
Price: $5.79
More Info
Hafele 429.99.324
Hafele 429.99.324 Black Round Cable Grommet Set 60mm
Cable Grommet Set.
Price: $3.93
More Info
Hafele 637.76.353
Hafele 637.76.353 Adjustment Feet, for Hafele Axilo 78 Plinth System, 100 mm Installation Height, 90 mm - 120 mm Range, Plastic, Black
Adjustment Feet, for Hafele Axilo 78 Plinth System, 100 mm (4") Installation Height, 90 mm - 120 mm (3-1/2" - 4-3/4") Range, Plastic, Black
Price: $1.43
More Info
Hafele 251.79.600
Hafele 251.79.600 Nickel Plated Door Stop Bracket w/ Bumper - 1 Pkg.
Door Bracket.
Price: $21.26
More Info
Hafele 245.54.710
Hafele 245.54.710 Nickel Plated Mini-Latch w/ Screws - 1 Set
Mini-Latch.
Price: $2.77
More Info