Cart Preview
Your cart is currently empty.
844-809-3667
CALL - TEXT - FAX
sales@absupply.net
Sign In
Toggle navigation
Products
Manufacturers
Company Profile
About Us
Blog
Contact Us
Photo Gallery
Testimonials
Video Gallery
Support
FAQ
Local Services
My Account
Privacy Policy
Returns
Shipping
Tax Exempt?
Tracking
Industry Information
Catalogs by decades
Glossary of Hardware Terminology
Industry Links
National Organizations
Our Manufacturers
Wood Database
Home
>
Bathroom Hardware
>
Hand & Hair Dryers
>
Surface Mounted
>
Automatic
>
Excel XL-GR
Excel XL-GR
Excel XL-GR Xlerator Automatic Hand Dryer-Graphite Textured Painted Cover-Surface Mounted
×
This image is for a similar product but it will differ in size, color and/or other attributes.
×
This product review video is for a similar product but it will differ in size, color and/or other attributes.
+ Add to My Wish List
Quote Only Item
This item must be quoted prior to order. Please
Contact Us
for further details.
1-844-809-3667
Sales
sales@absupply.net
Technical Support
tech@absupply.net
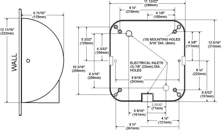
Product Description:
Xlerator Automatic Hand Dryer with Graphite Textured Painted Cover
Cover:
Die-Cast Zinc Alloy
One-piece, heavy-duty, rib-reinforced, lightweight, unbreakable, rustproof
Finished with chip-proof, electrostatically applied epoxy paint
Motor:
Thermally protected, series commutated through-flow discharge vacuum motor/blower (5/8 HP / 20,000 RPM)
Provides air velocity of 16,000 LFM (linear feet per minute) at the air outlet and 14,000 LFM at the hands (4 inches [102 mm] below air outlet).
Dries hands completely in 10 to 15 seconds
Uses 80% less energy
95% cost saving vs paper towels
GREENSPEC listed and helps qualify for LEED credits
Source reduction alternative
Promotes hygiene
Electrical Information
Volts
Amps
Hz
Watts
110/120
12.5
60
1500
208
7.0
60
1500
220/240
6.5
60
1500
220/240
6.5
50
1500
277
6.5
60
1500
Spec Sheet
Dimensions
Enlarge
Questions and Answers
There are currently no questions or answers.
(Required, used to email you once question is answered.)
Customers who bought this item also bought:
ASI 3201-36
ASI 3201-36 36" Straight Grab Bar
ASI concealed mounting 18 gauge satin stainless steel 1-1/2" diameter 36" straight grab bar.
Price: $68.56
More Info
Excel XL-W
Excel XL-W Xlerator Automatic Hand Dryer-White Epoxy Painted Cover-Surface Mounted
Dries hands completely in 10 to 15 seconds.
Price: $700.35
More Info
Koala Kare KB 112-01RE
Koala Kare KB 112-01RE Baby Changing Station
Koala Kare Countertop Recess Mount Baby Changing Station
Price: $301.99
More Info
ASI 0264-1A2
ASI 0264-1A2 Double Roll Toilet Tissue Dispenser
ASI surface mounted theft resistant double roll toilet tissue dispenser with free delivery.
Price: $27.82
More Info
ASI 0472-1
ASI 0472-1 Partition Mounted Dual Access Napkin Disposal with Lock
ASI partition mounted satin stainless steel dual access 1.5 gallon sanitary napkin disposal with lock.
Price: $190.39
More Info