Cart Preview
Your cart is currently empty.
844-809-3667
CALL - TEXT - FAX
sales@absupply.net
Sign In
Toggle navigation
Products
Manufacturers
Company Profile
About Us
Blog
Contact Us
Photo Gallery
Testimonials
Video Gallery
Support
FAQ
Local Services
My Account
Privacy Policy
Returns
Shipping
Tax Exempt?
Tracking
Industry Information
Catalogs by decades
Glossary of Hardware Terminology
Industry Links
National Organizations
Our Manufacturers
Wood Database
Home
>
Fire Safety
>
Restaurant System Parts
>
Nozzles
>
Amerex 11984
Amerex 11984
Amerex 11984 Nozzle - Upright Charbroiler - One Half (1/2) Flow Point Each
×
This image is for a similar product but it will differ in size, color and/or other attributes.
×
This product review video is for a similar product but it will differ in size, color and/or other attributes.
Price:
$
33.27 USD
In Stock Ready for Shipment
Comments
(Optional)
ADD TO CART
This item is not in stock and typically ships in 15 business days.
Check Inventory
Request Quote
No Minimum
There is no minimum quantity required for this product for quantities up to the level listed below.
Minimum Order Levels Apply
This item has minimum order levels that need to be met.
Check Inventory Levels
Enter your email address and we will check with all available sources and get back to you with exact inventory levels and estimated shipping times.
Qty. Needed:
Request Quote
Enter the qty needed and we will generate a quote and save your order in our system.
You will not be charged and we will not fulfill the order.
Qty. Needed:
+ Add to My Wish List
1-844-809-3667
Sales
sales@absupply.net
Technical Support
tech@absupply.net
Product Description:
Nozzle - Upright Charbroiler - One Half (1/2) Flow Point Each
Nozzle - Upright Charbroiler - One Half (1/2) Flow Point Each
Amerex System Components
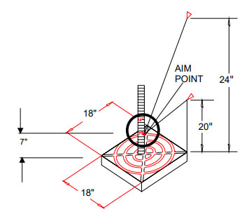
The Amerex half (½) flow point nozzle (P/N 11984) will protect a single burner with a surface area of 18” x 18” (46 x 46 cm). The nozzles must be located on the perimeter of the burner and 20 to 24" (51 – 61 cm) above the burners surface. The nozzle is aimed at a point 7” above the center of the burner.
Product Manual
Parts Diagram
Click to Print
Customers who bought this item also bought:
Amerex 5525A
Amerex 5525A Fire Extinguisher Wall Hanger - 5-13 lb Extinguishers
Wall Hanger for 5-13 lb Capacity Amerex Fire Extinguishers
Price: $10.54
More Info
Amerex 15943
Amerex 15943 Fire Extinguisher Parts - Downtube/Retainer Assembly
Downtube/Retainer Assembly for 6 Liter and 2-1/2 Gal. Water & Foam Models
Price: $28.45
More Info
Amerex 06479
Amerex 06479 Pressure Gauge 100psi - Stainless Steel Tube
Price: $18.46
More Info
Amerex 15943A
Amerex 15943A Fire Extinguisher Parts - Siphon Tube Assembly
Siphon Tube Assembly (240, 272, 250, 252, B272, B272NM)
Price: $53.77
More Info
Amerex 05240
Amerex 05240 O-Ring Collar Brass Valve
O-Ring Collar Brass Valve
Price: $3.09
More Info