Cart Preview
Your cart is currently empty.
844-809-3667
CALL - TEXT - FAX
sales@absupply.net
Sign In
Toggle navigation
Products
Manufacturers
Company Profile
About Us
Blog
Contact Us
Photo Gallery
Testimonials
Video Gallery
Support
FAQ
Local Services
My Account
Privacy Policy
Returns
Shipping
Tax Exempt?
Tracking
Industry Information
Catalogs by decades
Glossary of Hardware Terminology
Industry Links
National Organizations
Our Manufacturers
Wood Database
Home
>
Hinges & Pivots
>
Pivots
>
Center Hung Pivots
>
Top Pivots Only
>
Standard
>
US26D/626/Satin Chrome Plated Brass
>
IVES 7255J TOP-US26D
IVES 7255J TOP-US26D
IVES 7255J TOP-US26D 1-1/2" Center Hung Top Pivot only - Satin Chrome Brass
×
This image is for a similar product but it will differ in size, color and/or other attributes.
×
This product review video is for a similar product but it will differ in size, color and/or other attributes.
Price:
$
249.20 USD
In Stock Ready for Shipment
Comments
(Optional)
ADD TO CART
This item is not in stock and typically ships in 10-15 business days.
Additional Declarations -
This manufacturer has an order minimum of $85.00 - if your total is less than this amount, the lead time approximately 2-3 weeks before it would ship. Simply exceed this minimum order amount so that we can drop ship the material to your location.
Check Inventory
Request Quote
No Minimum
There is no minimum quantity required for this product for quantities up to the level listed below.
Minimum Order Levels Apply
This item has minimum order levels that need to be met.
Check Inventory Levels
Enter your email address and we will check with all available sources and get back to you with exact inventory levels and estimated shipping times.
Qty. Needed:
Request Quote
Enter the qty needed and we will generate a quote and save your order in our system.
You will not be charged and we will not fulfill the order.
Qty. Needed:
+ Add to My Wish List
1-844-809-3667
Sales
sales@absupply.net
Technical Support
tech@absupply.net
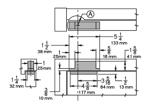
Product Description:
IVES 7255J TOP-US26D 1-1/2" Center Hung Top Pivot only - Satin Chrome Brass
1-1/2" Center Hung Top Pivot only
Material: Satin Chrome Brass
Top pivot header mount
Use with 1-3/4" minimum door thickness
Easy installation tilt on bearing and bearing pin.
Adjustable floor to door clearance 3/16" to 3/4", consult factory if greater than 3/4".
Vertical adjustment range 3/16", with positive locking
Meets ANSI/BHMA A156.4 C07042
Non-Handed
Template
Product Brochure
Click to enlarge image
Dimensions
Click to enlarge image
Ives Company Video
Questions and Answers
There are currently no questions or answers.
(Required, used to email you once question is answered.)