Cart Preview
Your cart is currently empty.
844-809-3667
CALL - TEXT - FAX
sales@absupply.net
Sign In
Toggle navigation
Products
Manufacturers
Company Profile
About Us
Blog
Contact Us
Photo Gallery
Testimonials
Video Gallery
Support
FAQ
Local Services
My Account
Privacy Policy
Returns
Shipping
Tax Exempt?
Tracking
Industry Information
Catalogs by decades
Glossary of Hardware Terminology
Industry Links
National Organizations
Our Manufacturers
Wood Database
Home
>
Hinges & Pivots
>
Pivots
>
Center Hung Pivots
>
Pivot Sets
>
Standard
>
622/Flat Black
>
IVES 7253 SET-SPBLK
IVES 7253 SET-SPBLK
IVES 7253 SET-SPBLK 1-1/2" Center Hung Top & Bottom Pivot Set - Flat Black
×
This image is for a similar product but it will differ in size, color and/or other attributes.
×
This product review video is for a similar product but it will differ in size, color and/or other attributes.
Price:
$
356.96 USD
In Stock Ready for Shipment
Comments
(Optional)
ADD TO CART
This item is not in stock and typically ships in 15-25 business days.
Additional Declarations -
This manufacturer has an order minimum of $85.00 - if your total is less than this amount, the lead time approximately 2-3 weeks before it would ship. Simply exceed this minimum order amount so that we can drop ship the material to your location.
Check Inventory
Request Quote
No Minimum
There is no minimum quantity required for this product for quantities up to the level listed below.
Minimum Order Levels Apply
This item has minimum order levels that need to be met.
Check Inventory Levels
Enter your email address and we will check with all available sources and get back to you with exact inventory levels and estimated shipping times.
Qty. Needed:
Request Quote
Enter the qty needed and we will generate a quote and save your order in our system.
You will not be charged and we will not fulfill the order.
Qty. Needed:
+ Add to My Wish List
1-844-809-3667
Sales
sales@absupply.net
Technical Support
tech@absupply.net
Product Description:
IVES 7253 SET-SPBLK 1-1/2" Center Hung Top & Bottom Pivot Set - Flat Black
1-1/2" Center Hung Top & Bottom Pivot Set
Material: Flat Black
Top pivot header mount, bottom pivot base plate mount
Set consists of 7253 TOP Top Pivot and 7253 BTM Bottom Pivot
Use with 1-3/4" minimum door thickness
Easy installation tilt on bearing and bearing pin.
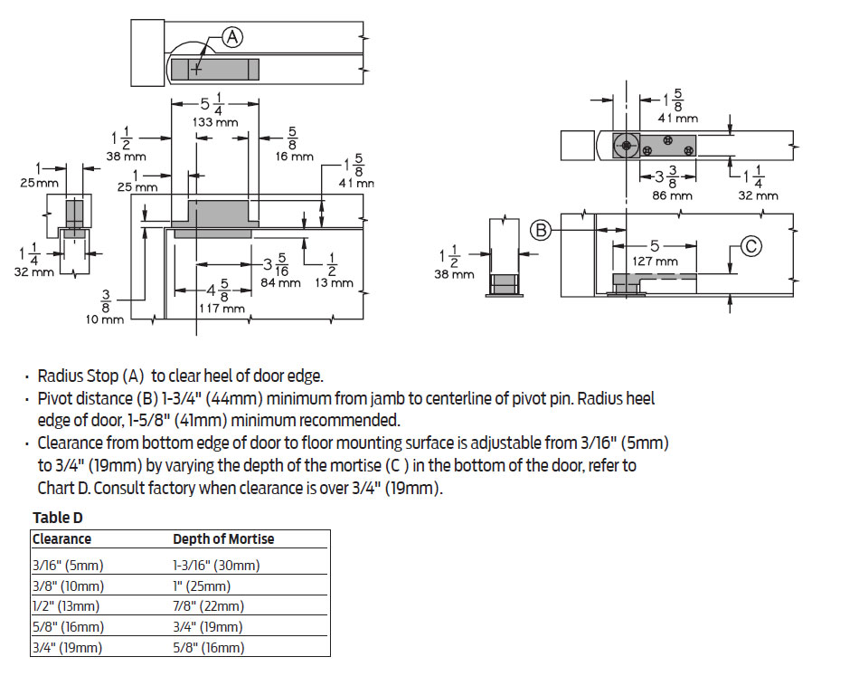
Adjustable floor to door clearance 3/16" to 3/4", consult factory if greater than 3/4".
Maximum door load 300 pounds.
Vertical adjustment range 3/16", with positive locking
Meets ANSI/BHMA A156.4 C07032
Non-Handed
Template
Product Brochure
Click to enlarge image
Dimensions
Click to enlarge image
Ives Company Video
Questions and Answers
There are currently no questions or answers.
(Required, used to email you once question is answered.)
Customers who bought this item also bought:
IVES 7253 SET-SP313
IVES 7253 SET-SP313 1-1/2" Center Hung Top & Bottom Pivot Set - Dark Bronze Painted
1-1/2" Center Hung Pivot Set, consists of 7253 TOP and 7253 BTM pivots, max door load 300 lbs., non-handed, min 1-3/4" door thickness, Dark Bronze Painted
Price: $278.35
More Info
Hager BB1279 4.5x4.5
Hager BB1279 4.5x4.5in Hinge-Full Mortise-Standard Weight-Ball Bearing-Steel Base
.134 gauge; 5 knuckle; 2 ball bearings
Price: $9.52
More Info
IVES 7222 INT-US32 LH
IVES 7222 INT-US32 LH 3/4" Offset Intemediate Pivot only - Polished Stainless Steel - Left Handed
3/4" Offset Intermediate Pivot, handed, use for each additional 100 lbs door load or for doors over 7', use with 7212, 7212V or 7222 Series Offset Pivots, Polished Stainless Steel
Price: $345.65
More Info
IVES 7222 INT-US32 RH
IVES 7222 INT-US32 RH 3/4" Offset Intemediate Pivot only - Polished Stainless Steel - Right Handed
3/4" Offset Intermediate Pivot, handed, use for each additional 100 lbs door load or for doors over 7', use with 7212, 7212V or 7222 Series Offset Pivots, Polished Stainless Steel
Price: $345.65
More Info
IVES 7222 SET-US32 LH
IVES 7222 SET-US32 LH 3/4" Offset Top & Bottom Pivot Set - Polished Stainless Steel - Left Handed
3/4" Offset Pivot Set, consists of 7222 TOP and 7222 BTM pivots, max door load 200 lbs., handed, min 1-3/4" door thickness, Polished Stainless Steel
Price: $451.91
More Info