Dorma RTS88 RTS-13

copy to clipboard

RTS-13 Concealed Overhead Closer Package

enlarge
enlarge
× This image is for a similar product but it will differ in size, color and/or other attributes.
RTS-13 Concealed Overhead Closer Package
Video Review Dorma RTS88
More from Dorma
Price: $546.34 USD
Ships From
Comments (Optional)
This item is not in stock and typically ships in 1 business day.

1-773-809-3667

Sales
Technical Support
Product Description:
Overview

dorma Architects are often challenged to design buildings that are both beautiful and functional, down to the last detail. The DORMA RTS88 overhead concealed door closer offers the perfect solution for those who prefer the aesthetic advantages of a concealed door closer.

dorma The RTS88 is designed to give lasting, dependable service where surface applied units and other types of closers are not suitable, or would interfere with the architectural design. It can be easily installed in wood, aluminum, or hollow metal doors and frames, for single and double-acting doors.

dorma Contractors appreciate the RTS88 closer, because the majority of door and frame preparation is done prior to installation of the unit, resulting in less on-site machining. The RTS88 is also an excellent replacement closer for problem entrances.

Dorma For those who prefer the aesthetic advantages of a concealed door closer the DORMA RTS88 overhead concealed door closer offers the perfect solution.

RTS-13 Concealed Overhead Closer Package
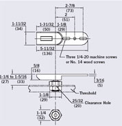
Package RTS-13 contains all of the components required to install an RTS closer in a steel header
Techical picture

Packages RTS-13

Packages RTS-13 is designed for top door rails with 7/8" deep channels. The door is installed by rotating the closer spindle 90º, then sliding the door into place, perpendicular to the frame.

Components: RTS-13
1. RTS Series closer
2. No. 8563 cover plate (optional)
3. No. 8836 top arm
6. No. 8855 short threshold pivot

cut sheet
Installation Instruction
Templates
Product Brochure
Technical Drawing
Summary

Dorma The RTS88 is designed to give lasting, dependable service where surface applied units and other types of closers are not suitable, or would interfere with the architectural design.

Dorma It can be easily installed in wood, aluminum, or hollow metal doors and frames, for single and double-acting doors.

Dorma Contractors appreciate the RTS88 closer, because the majority of door and frame preparation is done prior to installation of the unit, resulting in less on-site machining.

Dorma The RTS88 is also an excellent replacement closer for problem entrances.

Dorma The RTS88 Series overhead concealed door closer has a compact body size which fits into a 1-3/4" x 4" header for aluminum frames and is also easily adaptable to wood and hollow metal frame configurations.

Dorma Openings fitted with the RTS88 are capable of 90º or 105º maximum opening door swing, trim conditions permitting. Sweep and latch closing speeds are controlled by two noncritical temperature compensating valves to insure constant closing speeds even under the most extreme temperature conditions.

Dorma A built-in pressure relief valve protects the closer from abuse due to forced closing. A positive stop at 90º or 105º, depending on the model selected, combined with a mechanical backcheck, hinder the forceful or abusive opening of the door and help protect the door, frame, and adjoining structure.

Dorma Always use an auxiliary stop in conjunction with RTS88 installations.

Dorma The RTS88 is capable of accommodating doors weighing up to a maximum of 250 pounds. The closer can handle exterior doors up to a maximum 3'-6" width and interior doors up to a maximum 4' width.

Dorma A complete line of accessories is available for wood, aluminum, and hollow metal applications, both single and double-acting center hung doors, and hinged or offset pivoted single-acting doors.

Dorma Other accessories include cover plates for wood, aluminum, and hollow metal frames and extended spindles for increased clearances at the top of the door. Optional hold open units are available, effective at either 90º or 105º.

Specification

Dorma DORMA RTS88 Series overhead concealed door closer for both single and double-acting doors. The RTS88 will consist of a steel cam, rollers, and springs housed in a compact cast iron body.

Dorma Closers will be capable of being installed in minimum 1-3/4" x 4" headers. RTS88 will have maximum door opening to 90º or 105º, trim conditions permitting.

Dorma Sweep and latch speed will be controlled by two noncritical adjustment valves from 90º or 105º to closed.

Dorma Built-in pressure relief valve will protect the closer from abuse caused by forced closing.

Dorma A mechanical backcheck combined with a positive stop at 90º or 105º will be provided to protect the door and frame.

Dorma The RTS88 closer will be available with hold open at 90º or 105º, or without hold open.

Dorma The RTS BFI and BFE are available with 105º hold open only. Optional extended spindle will be available in 3/16" integral length or 1- 3/16" add-on length.

Dorma Accessories will be available for single and double-acting doors as well as independently hung installations for wood, aluminum, and hollow metal doors and frames.

Cover Plate Finishes (Steel or Wood Frame):

Dorma Standard Sprayed Finishes:
Dorma Aluminum: 689.
Dorma Bronze: 691 (Dull), 690 (Statuary), or 695 (Dark Duranodic).
Dorma Gold: 696.
Dorma Black: 693.

Optional Plated Finishes:

Dorma Brass: 605 (Bright) or 606 (Satin).
Dorma Bright Bronze: 611 (Bright), 612 (Satin), or 613 (Oxidized Satin Oil Rubbed).
Dorma Nickel: 618 (Bright) or 619 (Satin).
Dorma Chrome: 625 (Bright) or 626 (Satin).

Cover Plate Finishes (Aluminum Frame):
Standard Sprayed Finishes:

Dorma Aluminum: 689.
Dorma Bronze: 695 (Dark Duranodic).
Dorma Black: 693.
Dorma Warranty: 10 Years.

Technical Details

Dual Speed Closing
Sweep and latch closing speeds are controlled by two noncritical adjustment valves. Sweep area is from 105º to 20º.
Latch area is from 20º to 0º.

Compact closer body is designed to fit into headers as small as 1-3/4" x 4".
Dorma Closer body is non-handed.
Dorma One closer for both single-acting or double-acting doors.
Dorma Accommodates a maximum door weight of 250 lb.
Dorma A pressure relief valve protects closer from damage caused by forcedclosing.
Dorma An integral positive stop limits door swing to 90º or 105º.
An auxiliary stop should always be installed in conjunction with RTS88.

Backcheck
A mechanical backcheck slows down the door prior to contact with the positive stop.

Dorma A mechanical backcheck slows down the door prior to contact with the positive stop.
Dorma Closing speeds are controlled by two non-critical adjustment valves. Sweep area is from 105º to 20º. Latch area is from 20º to 0º.
Dorma Thermostatic valves insure constant closing speeds under varying temperatures.
Dorma The standard RTS88 is furnished without hold open. Optional single point mechanical hold open is available at 90º or 105º.
Dorma The RTS88 BFI and RTS 88 BFE are available in 105º NHO and 105º HO only.
Dorma The RTS88 offers a cast-iron body along with heavy-duty ball bearings at the spindle.
Dorma Steel cam and roller assembly is coupled to dual steel pistons.
Dorma Mounting brackets are available to install closer into aluminum or wood headers.

Positive Stop

An integral positive stop is available at 90ºor 105º.

Dorma Packages are available for side load, end load, and offset slide arm applications. For independently hung doors with 8812 slide arm, the maximum degree of opening and hold open angle may vary slightly.
Dorma No. 8532 steel header mounting channel is specifically designed to install the RTS series closer into open-throat steel header sections. Normally, the mounting channel is installed in the header prior to shipment to the job site.
Dorma No. 8521E add-on spindle extension is available for special applications where additional clearance is required between the closer body and the door.
Dorma Cover plates are available for virtually any type header material.
Dorma No. 8820J conversion bracket is available for replacement of existing overhead concealed closers with the RTS88.
Dorma The RTS88 is manufactured to conform with the requirements of ANSI A156.4.
Component Drawings
Click here for larger image DORMA RTS88 Series overhead concealed door closer for both single and double-acting doors. The RTS88 will consist of a steel cam, rollers, and springs housed in a compact cast iron body.
Closers will be capable of being installed in minimum 1-3/4" x 4" headers.
Click here for larger image
No. 8563 — Cover plate for RTS Series closer when installed in aluminum header.
click here for larger image
No. 8836 — End load arms for aluminum or tempered glass doors. Specify arm as required by top door rail channel depth.
Click here for larger image
No. 8855 — Adjustable end load threshold pivot set for bottom door rail channel depth of 7/8". Bottom door clearance is adjustable from 3/16" to 7/16". Maximum weight capacity is 200 lb.
Size Selector Chart RTS88 Series
Size Selector Chart RTS88 BFI/BFE
Maximum Door Width
Closer Interior Exterior Size
Door Width
Barrier-Free
Closer
Interior
Exterior
Interior
Exterior
to 3'-0"
to 2'-6"
*2
3'-0"
RTS88 BFI *
over 3'-0" to 3'-6"
over 2'-6" to 3'-0"
*3
3'-0"Dorma
RTS88 BFE *
over 3'-6" to 4'-0"
over 3'-0" to 3'-6"
4

Comparison Chart RTS88 Series
Dorma
Jackson
Rixson
LCN
Dor-O-Matic

RTS88

Side Load

101-BF
608SL
6030CP
12000, 22000
101-BE
101-GE
101-PV
13000, 23000
101-U
14000, 24000
101-V
101-S

RTS88

End Load

101-AP
608EL
6030CP
12000
101-AE
101-PE
101-P
700
13000
101-PA
800
14000
101-T

RTS88

Offset

Slide Arm

201-A4
0608
22500
201-P
0700
2030
23500
24500

Since no products are exactly alike, the data on this chart represents our judgement of which products are most similar.
Information has been obtained from trade sources. It is not guaranteed nor represented that any specific product exactly equals any other product.

Additional Videos:
Dorma RTS88 - Replacement - Client Supplied Video - 1
Dorma RTS88 - Replacement - Client Supplied Video - 2
Customer Images:
Questions and Answers
There are currently no questions or answers.
(Required, used to email you once question is answered.)
Customers who bought this item also bought:
RTS-05 Concealed Overhead Closer Package
Dorma RTS88 RTS-05
Wood Door and Frame / Double or Single-Acting /Side Load
Dorma
Price: $1,188.50
RTS-03 Concealed Overhead Closer Package
Dorma RTS88 RTS-03
Steel Door and Frame / Double or Single-Acting /Side Load
Dorma
Price: $1,110.74
RTS-29 Concealed Overhead Closer Package
Dorma RTS88 RTS-29
Wood Door and Frame-Hinges/Pivots/Single-Acting /Offset Slide Arm
Dorma
Price: $698.79
Rockwood 446-613 Satin Oxidized Oil Rubbed Bronze Door Stop
Rockwood 446-613
Door Stop with DuraFlex bumper, Material: Satin Oxidized Oil Rubbed Bronze, Base: 1 1/4", Modern style universal stop
Rockwood
Price: $32.19
Edge Pull x SRO x [fastener package] x 613 - Tydix
Price: $151.50
  • Watch Expert Advice on YouTube
  • Corporate Members of DHI
  • Member of NFPA.
  • Follow us on Facebook
  • AAADM Certified!
  • ALOA Certified!
  • Follow us on Twitter
  • DHI FDAI EDA Inspector
  • AIA
  • Follow us on Pinterest
  • ARL
  • Intertek Logo